N095805
MOINHO/DOSEADOR CAFÉ
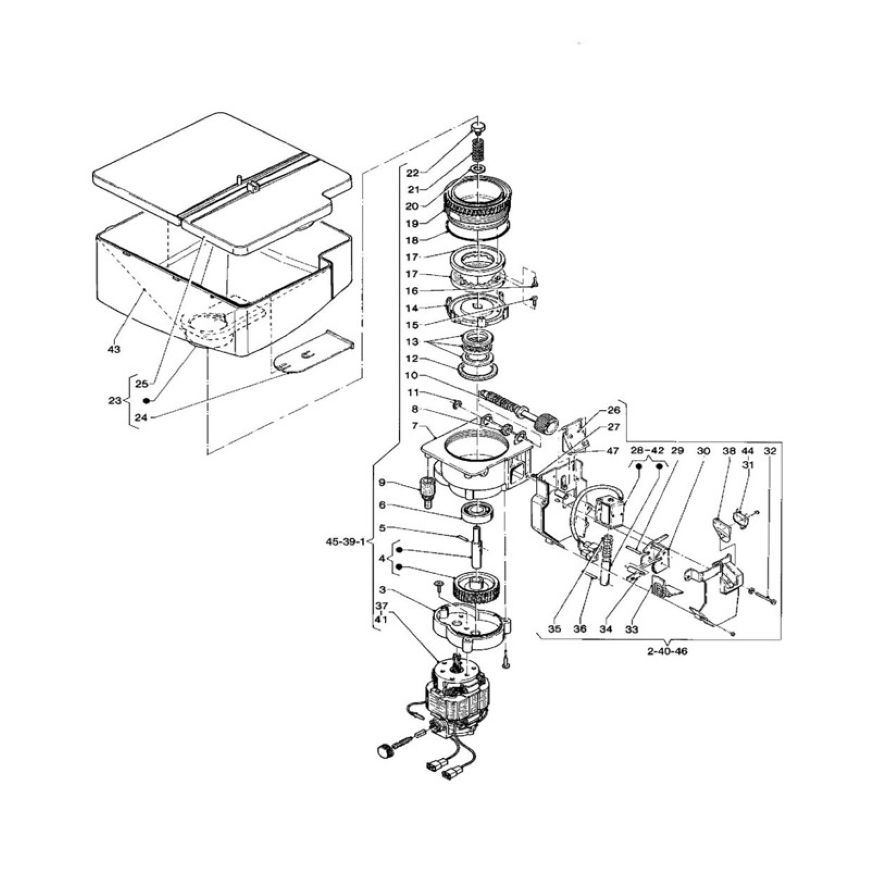
(clique na imagem para aumentar)
- 01 N099336-MOINHO COMPLETO
- 02 N254424-DOSEADOR CAFÉ FASTON
- 03 N099468-SUPORTE
- 04 N099470-CARRETO MOINHO C/ EIXO
- 05 N098293-PASSADOR 3X14
- 06 N095803-CHUMACEIRA
- 07 N099469-TAMPA MOINHO
- 08 N099457-ANILHA AFINADOR MOINHO
- 09 N099484-BORRACHA*
- 10 N099474-PARAFUSO FIXAÇÃO PRENSAGEM*
- 11 N093171-ARO DETENÇÃO 6MM
- 12 N093271-VEDANTE
- 13 N093187-VEDANTE SEPARADOR MOINHO
- 14 N095802-TURBINA PORTA-MÓ
- 15 N255032-PARAFUSO 3 LÓBULOS M4X10*
- 16 N255033-PARAFUSO AUTORROSCANTE 4X10*
- 17 N095840-MÓ (UNIDADE)
- 18 N095805-ORING*
- 19 N099473-PORTA-MÓ
- 20 N096988-BRAÇADEIRA PLANA*
- 21 N099471-MOLA
- 22 N099472-PARAFUSO ESQUERDO
- 23 N0V2433-CONTENTOR DE CAFÉ*
- 24 N098630-FECHO P/ CONTENTOR
- 25 N0V2409-TAMPA CONTENTOR
- 26 N099475-ACTUADOR*
- 27 N092657-PARAFUSO TAPTITE 3X6TC CROSS*
- 28 N098716-ELECTRO-IMAN 230V FASTON
- 29 N098822-CAVILHA P/ CAME*
- 30 N254427-POSTIGO DOSEADOR CAFÉ + PLACA*
- 31 N0V2131-MICRO INTERRUPTOR BURGESS-FASTON
- 32 N096097-PARAFUSO*
- 33 N098643-ANILHA GRADUAÇÃO CAFÉ*
- 34 N253637-CAME P/ ARAN. GRAD. CAFÉ*
- 35 N098696-MOLA ELECTRO-IMAN DOSEADOR*
- 36 N093832-PASSADOR CÓNICO*
- 37 N099732-MOTOR MOINHO
- 38 N0V2082-PLACA ADAPTADORA*
- 39 N0V0448-MOINHO COMPLETO 220V/60HZ*
- 40 N254424-DOSEADOR CAFÉ FASTON
- 41 N0V0451-MOTOR MOINHO 220V/60HZ*
- 42 N098716-ELECTRO-IMAN 230V FASTON
- 43 N0V2744-CONDUTA DO CHÁ*
- 44 N0V1105-MICROINTERRUPTOR*
- 45 N0V0491-MOINHO DE CHÁ*
- 46 N0V0490-DOSEADOR DE CHÁ*
- 47 N0V0488-REDUTOR*
* artigo não disponível.Contacte-nos para mais informações
(Clique em qualquer local para sair)
N098630
N0V2409
N099471
N093171
N093271
N099468
N095803
N099337
N099472
N099474
N099457