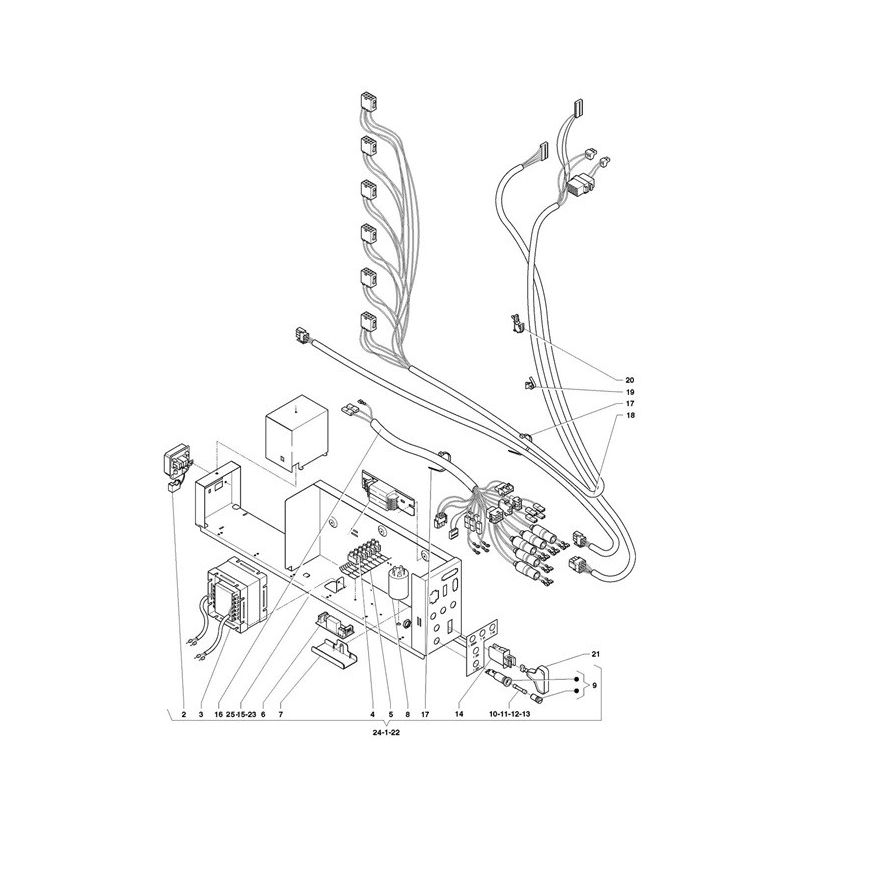
N0V0014
Instalação Elétrica
(clique na imagem para aumentar)
(Clique em qualquer local para sair)
N0V3512
J0237
J0235
J0238
N0V3201
N0V1654
N0V0016
N097796
N0V0014
N0V3512
J0237
J0235
J0238
N0V3201
N0V1654
N0V0016
N097796